Technical Article

Technical articles

专业、创新、精准、可靠是每一个容测人的价值观,愿我们携手共赢!

  • <b>产品内部的EMC设计技巧</b>

    产品内部的EMC设计技巧

    电磁兼容性是指电子设备在各种电磁环境中仍能够协调、有效地进行工作的能力。电磁兼容性设计的目的是使电子设备既能抑制各种外来的干扰,使电子设备在特定的电磁环境中能够正...

    2022-12-12
  • <b>EMC测试中,RS485接口的电路设计方案有哪些</b>

    EMC测试中,RS485接口的电路设计方案有哪些

    RS485用于设备与计算机或其他设备之间的通信,在产品应用中,其多线和电源.功率信号等混合在一起,存在EMC隐患。本方案从EMC测试原则上,设计了相关的抑制干扰和抗敏感性,从设计...

    2022-12-12
  • <b>电路板的电磁兼容问题如何处理?</b>

    电路板的电磁兼容问题如何处理?

    随着信息化社会的发展,各种电子产品经常在一起工作,它们之间的干扰越来越严重,所以,电磁兼容问题也就成为一个电子系统能否正常工作的关键。 什么是电磁兼容性...

    2022-11-21
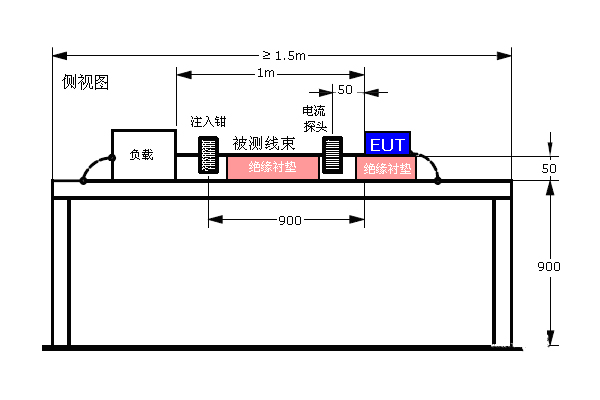
  • <b>汽车大电流注入BCI测试项目</b>

    汽车大电流注入BCI测试项目

    近几年随着汽车向电动化、智能化和网联化方向发展,汽车有限的空间内集成了越来越多的电子设备,这些电子设备也带来越来越多的电磁兼容问题。为了应对电磁兼容问题,电子零部...

    2022-11-21
  • <b>电磁干扰与去耦电容的作用</b>

    电磁干扰与去耦电容的作用

    电路的设计中存在很多 电磁干扰(EMI) 问题,去耦电容的应用场景就是减小电磁干扰,去耦电容是电路中装设在元件的电源端的电容,此电容可以提供较稳定的电源,同时也可以降低元件耦合...

    2022-11-04
  • <b>新手必看!电子设计中绕不开的EMC、EMI、ESD</b>

    新手必看!电子设计中绕不开的EMC、EMI、ESD

    EMC包括两个方面的要求:一方面是指设备在正常运行过程中对所在环境产生的电磁干扰不能超过一定的限值;另一方面是指器具对所在环境中存在的电磁干扰具有一定程度的抗扰度,即电...

    2022-10-25
  • Phone:0731-85119779
  • Changsha headquarters:湖南·长沙市岳麓区麓谷企业广场B1栋6楼
  • Shenzhen Service Point: Room 613, Building 2, Jiufang Plaza, Tiezai Road, Gongle Community, Xixiang Street, Bao'an District, Shenzhen
  • Shanghai Service Point: Room 4-2B, 4th Floor, Building 3, No. 516 Huachuan Road, Baoshan District, Shanghai
  • Chengdu Service Point: Room 2207, T2 Office Building, Xiangnian Plaza, No. 88 Jitai 5th Road, Wuhou District, Chengdu City

Friendship link: 电极限 | emc测试设备 | 电磁兼容工程师网 |

欢迎来到长沙容测电子股份有限公司
欢迎来到长沙容测电子股份有限公司
Please leave your message, we will reply to you as soon as possible
  • *
  • *
  • *
  • *