24-hour x 365 day rapid response to customer needs Professional service team provides professional technical support and after-sales service Flexibly and effectively solve the problems raised by customers
This maintenance policy applies to ETEST brand products and instruments and equipment that are within the valid warranty period.
Regularly release EMC industry information and news!
Real time release of EMC testing related technical articles information.
Summary of common problems in EMC testing
Changsha Rongce Electronics Co., Ltd. is a high-tech enterprise that integrates the research and development, production, and sales of EMC electromagnetic compatibility testing instruments. Dedicated to the research and development of electromagnetic compatibility testing equipment and the promotion and popularization of electromagnetic compatibility testing technology, we strive to provide customers with professional EMC testing equipment and solutions.
ISO91001 Quality Management System Certification, Multiple Software Copyright Registration Certificates
Our pursuit is to produce professional products, provide thoughtful services, and gain recognition from customers and the market. We cherish the trust of every customer and thank them for their unwavering support!
Phone:0731-85119779
Mobile:19974956062
E_Mail:sales@etest-emc.com
Changsha Headquarters: 6th Floor, Building B1, Lugu Enterprise Plaza, Yuelu District, Changsha City
Shenzhen Service Point: Room 613, Building 2, Jiufang Plaza, Tiezai Road, Gongle Community, Xixiang Street, Bao'an District, Shenzhen
Shanghai Service Point: Room 4-2B, 4th Floor, Building 3, No. 516 Huachuan Road, Baoshan District, Shanghai
Chengdu Service Point: Room 2207, T2 Office Building, Xiangnian Plaza, No. 88 Jitai 5th Road, Wuhou District, Chengdu City
Rongce Electronics looks forward to welcoming you with dreams and passion to join us, where you can start your career and unleash your youth and dreams!
专业、创新、精准、可靠是每一个容测人的价值观,愿我们携手共赢!
浪涌(冲击)抗扰度试验 概述 电路在遭雷击和在接通、断开电感负载或⼤型负载时通常会产生很高的操作过电压,这种瞬时过电压称为浪涌电压,是⼀种瞬间高能量的脉冲干扰。如果设备...
本文通过结合实验室的实际情况,介绍了雷击浪涌测试设备的主要组成部分及其工作原理,并搭建浪涌(冲击)抗扰度测试平台并分析不同耦合方式之间的差异...
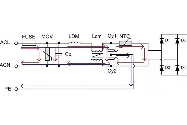
EMI它还包括传导和辐射;EMS还含有静电、脉冲群、浪涌等。本文将从EMS从浪涌抗扰度的角度,分析设计电源的前级电路...
浪涌防护一般采用如下图多级防护、逐级削减”的模式进行系统级的浪涌防护 ...
电子设备雷击浪涌抗扰度试验标准为GB/T17626.5(等同于国际标准IEC61000-4-5 )。 标准主要是模拟间接雷击产生的各种情况...
浪涌(冲击)抗扰度测试原理、目的、等级、波形等介绍...
Friendship link: 电极限 | emc测试设备 | 电磁兼容工程师网 |