

要点
① 产品外壳是否接地,如果接,有几个接地地
② 实验中,仅测产品电源线
③ 实验中,DUT,线束等需要放在(50 ± 5) mm高度的非绝缘材料上
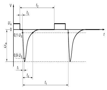
④ 实验中,需要使用电压探头和示波器测量电源电压UA和干扰电压
⑤ 产品测试模式和各功能的接受标准
⑥ 测量的瞬态电压值应根据附录B进行评估
⑦ 适用于较大电感或者高负载电流的感性负载,不适用于小电感或者低负载电流并与车辆内部稳压电压连接的部件。
1.1快脉冲台架


1.2 慢脉冲台架

差异
快慢脉冲台架差异主要就是开关的位置,慢脉冲的开关位于DUT和AN之外,快脉冲的开关位于DUT和AN之间。主要的实验步骤是一致的,大致如下:
(1)给DUT 上电,确认 DUT 的工作状态和工作模式。
(2)设置示波器分辨率为 1ms/div。单个触发模式,触发电压为+10V。
(4)重复闭合和断开开关,直到电压脉冲能够触发示波器记录数据。
(5) 将示波器触发电压修改为+40V。
(6)将时基分辨率修改为 100us/div 、1us/div,同时将示波器采样率调整到所选 择时基能够实现的最高等级,重复步骤 4。
(7)断开闭合开关,测试记录最大峰值。进行 10 次测试。
(8)调整示波器的触发脉冲为-40V ,重复以上步骤。
注:如设置示波器触发脉冲为±40V,电压数据不能触发示波器记录数据,则认为电器部件符合瞬态传导发射要求。
电源线断开引起的瞬态电压,应在DUT稳定工作的状态下,断开开关s时刻开始测量。重复性的瞬态电压,应在开关s闭合的状态下进行。记录含有最大正幅度和最大负幅度的瞬态电压波形及相关参数。电器部件在开关断开和闭合瞬间所产生的快变瞬态脉冲电压必须在- 100V~75V 之间。

ISO标准根据开关的闭合或者开启导致电感能量的释放引发的瞬态浪涌,总结出了具有带代表性的波形和验证方法,电源线上的瞬态波形主要有pulse1,2a,2b,3a,3b,4,5a和5b,其中pulse4,5a和5b已经划到ISO 16750-2了。具体参数就不列出来了,大家可以查阅标准。
实验台架组成

各个脉冲实验的台架是一致,不同在于施加的脉冲波形,台架主要由以下设备组成:
电源模块:提供稳定的直流电源,电压通常为 12V 或 24V,以模拟车辆的电源系统。
脉冲发生器(EA-7637 汽车电子瞬态干扰发生器和EA-PS400系列汽车电子可编程电源):能够产生符合 ISO 7637-2 标准要求的各种脉冲波形,如脉冲 1、2a、2b、3a、3b 等。
耦合 / 去耦网络:用于将脉冲信号耦合到被测设备(DUT)的电源线上,同时防止脉冲信号对电源和其他设备产生干扰。
测量仪器:如示波器,用于测量和监测施加到 DUT 上的脉冲波形参数,以及 DUT 的响应信号。
被测设备(DUT):即需要进行脉冲抗扰度测试的汽车电子设备或部件。
负载模块:模拟车辆上的各种负载,如电阻、电感、电容等,以确保测试环境更接近真实的车辆电气系统。、
实验步骤
01.准备工作 -------------------------
熟悉标准:实验人员需仔细研读 ISO 7637-2 标准,明确测试要求、脉冲参数和评判准则。
检查设备:确保实验台架各设备正常工作,脉冲发生器(EA-7637 汽车电子瞬态干扰发生器)、示波器等仪器经过校准且精度符合要求。
连接线路:按照实验要求,正确连接电源模块、脉冲发生器(EA-7637 汽车电子瞬态干扰发生器)、耦合 / 去耦网络、DUT 和测量仪器等设备,确保线路连接牢固、正确,避免短路和开路。
设置参数:根据 DUT 的工作电压和测试要求,设置电源模块的输出电压为 12V 或 24V;根据具体要测试的脉冲类型,在脉冲发生器上设置相应的脉冲参数,如幅度、宽度、上升时间、下降时间等。
02.DUT 安装与配置 -------------------------
安装 DUT:将 DUT 按照实际使用情况安装在实验台架上,确保其安装位置和方式与在标准要求摆放一致,以保证测试的真实性。
连接线缆:将 DUT 的电源线与耦合 / 去耦网络连接,确保连接可靠;如果 DUT 还有其他信号线或控制线,也需按照要求进行正确连接。
配置 DUT:根据 DUT 的工作模式和测试要求,对 DUT 进行必要的配置和初始化,使其处于正常工作状态。
03.预测试 -------------------------
施加低强度脉冲:在正式测试前,先施加一个较低强度的脉冲信号,检查 DUT 的工作状态和测量仪器的读数是否正常,确保整个测试系统能够正常运行。
观察 DUT 响应:通过示波器等测量仪器,观察 DUT 在低强度脉冲下的响应情况,检查是否有异常现象,如信号失真、设备复位等。
04.正式测试 -------------------------
选择脉冲序列:根据测试计划和 DUT 的应用场景,选择需要测试的脉冲序列,如脉冲 1、2a、2b 等,并按照标准要求的顺序和间隔时间依次施加脉冲。
施加脉冲:按照设定的脉冲参数,通过脉冲发生器向 DUT 施加相应的脉冲信号,同时根据标准要求断开示波器等测量仪器。
观察 DUT 状态:在施加脉冲的过程中,密切观察 DUT 的工作状态,包括其功能是否正常、是否有异常报警、是否出现数据丢失或程序紊乱等现象。
记录数据:使用测量仪器记录 DUT 的响应信号和相关数据,如电压、电流、波形等,以便后续分析和评估。
重复测试:对于每个脉冲类型和测试等级,按照标准要求进行足够次数的重复测试,以确保测试结果的准确性和可靠性。
(1) 脉冲 1
脉冲 1 模拟电源与感性负载断开连接时产生的瞬态现象,为负脉冲。其内阻较大,在 10 - 50Ω 之间;电压较高,可达几十伏至几百伏;前沿较快,为微秒级;宽度较大,处于毫秒级。在整个 ISO7637 - 2 标准里,脉冲 1 属于中等速度和中等能量的脉冲干扰,对被试设备兼顾干扰和破坏作用,既可能造成设备误动作,也可能损坏设备中的元器件。


(2) 脉冲 2a 和 2b
脉冲 2a 模拟由于线束电感原因,与模块并联的装置内电流突然中断引起的瞬态现象,是正脉冲。在整个 ISO7637 - 2 标准里,脉冲 2a 属于速度快和能量较小的脉冲干扰,作用与脉冲 1 有点相似。其串联电阻为 2Ω,脉冲前沿为 0.5u 至 1u,宽度为 0.05 毫秒,电压在 12V 系统下为 +37 至 +112V,24V 系统下为 +37 至 +112V。脉冲 2b 模拟直流电机充当发电机,点火开关断开时的瞬态现象。脉冲 2b 是一个电压不高,大体与系统的电源电压相当,前沿较缓,为毫秒级,宽度很大,达到秒级,内阻很小,在 0 至 0.05Ω 之间。在整个 ISO7637 - 2 标准里,脉冲 2b 属于低速和高能量的脉冲干扰,着重考核对设备(元器件)的破坏性,作用与脉冲 5 有点相似,但电压较低,脉冲更宽。




(3) 脉冲 3a 和 3b
脉冲 3a 和 3b 模拟由开关过程引起的瞬态现象,其特性受线束的分布电容和分布电感影响。脉冲 3a 在整个 ISO7637 - 2 标准里是一系列高速、低能量的小脉冲,能引起采用微处理或数字逻辑控制的设备产生误动作。在 12V 和 24V 系统下,其串联电阻均为 50Ω,电压分别为 - 150 至 - 300V 和 - 112 至 - 220V,脉冲前沿为 5n±1.5n,宽度为 150n±45n,时间参数 T1 为 100u,T4 为 10 毫秒,T5 为 90 毫秒。脉冲 3b 同样模拟开关过程引起的瞬态现象,产生正尖峰。




(4) 脉冲 4 和脉冲 5a / 5b
因为这三个波形放在ISO16750-2标准里了,这份标准也在解读,相关内容大家可以持续关注。
长沙容测电子有限公司致力于电磁兼容测试设备的研发以及电磁兼容测试技术的推广普及,全力为客户提供专业的EMC测试产品和解决方案。
我们的产品:
民用领域:静电放电发生器、脉冲群发生器、雷击浪涌测试仪、射频传导抗干扰测试系统、工频磁场发生器、脉冲磁场发生器、阻尼振荡磁场发生器、交流电压跌落发生器、振铃波发生器、共模传导抗扰度测试系统、阻尼振荡波发生器、直流电压跌落发生器等
汽车领域:静电放电发生器、7637测试系统、汽车电子可编程电源、瞬态发射开关测量、汽车线束微中断发生器、BCI大电流注入测试系统、EMI接收机、辐射抗扰度测试系统、低频磁场抗扰度测试系统、射频辐射抗扰度测试系统等
军工领域:静电放电发生器、低频传导抗扰度测试系统、尖峰脉冲发生器、电缆束注入测试系统、快速方波测试系统、高速阻尼振荡测试系统等

