目 录
1、汽车电子的EMC础知识
2、汽车电子EMC测试常用的测试项目和标准
3、EN50498标准介绍
4、E-Mark&e-Mark介绍
5、EN50498&E/e-Mark区别
汽车电子的EMC基础知识
汽车电子指的是哪些产品?
一般来讲分为狭义和广义两类
狭义:原装汽车上的电子装置,例如原装汽车的雨刷行车电脑、显示仪表、汽车玻璃升降机、雨刷、数据、总线系统….
广义: 可以用在汽车上的电子装置, 包括临时固定的和改装用的电子产品。 例如汽车冰箱、车充、车载DVD、车载GPS…
近年来, 中国汽车工业的迅速发展, 己经使汽车工业成为中国经济的一个支柱产业。 汽车工业的发展也拉动了与之配套的汽车电子行业的迅速发展。 对于后者的质量控制与检测问题便成为业内人士所关注的一个热点。
电磁兼容性(EMC, Electromagnetic Compatibility): 某一设备或系统在电磁环境之下可以正常的运作, 而且不对此环境中的任何设备产生难以忍受的电磁干扰之能力。
汽车电磁兼容技术, 是指车辆或零部件在其电磁环境中能人满意地工作, 又不对该环境中任何事物造成不应有的 令电磁干扰。
汽车电子EMC测试常用的测试项目和标准
1、 RE,CE CISPR25,GB18655
2、Transient emission ISO7637‐ ‐2 2
3、 ESD ISO10605
4、Transient immunity ISO7637‐ ‐ 2
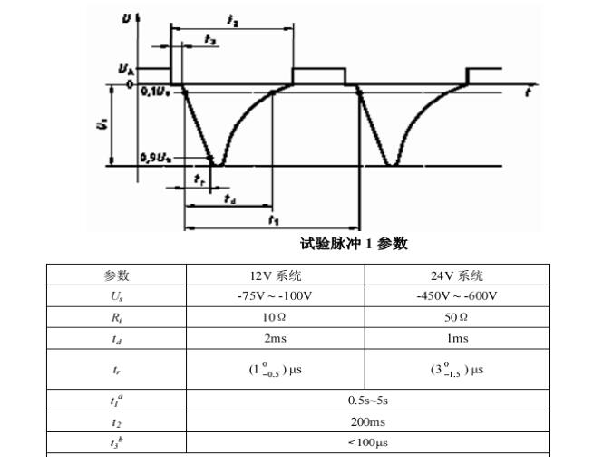
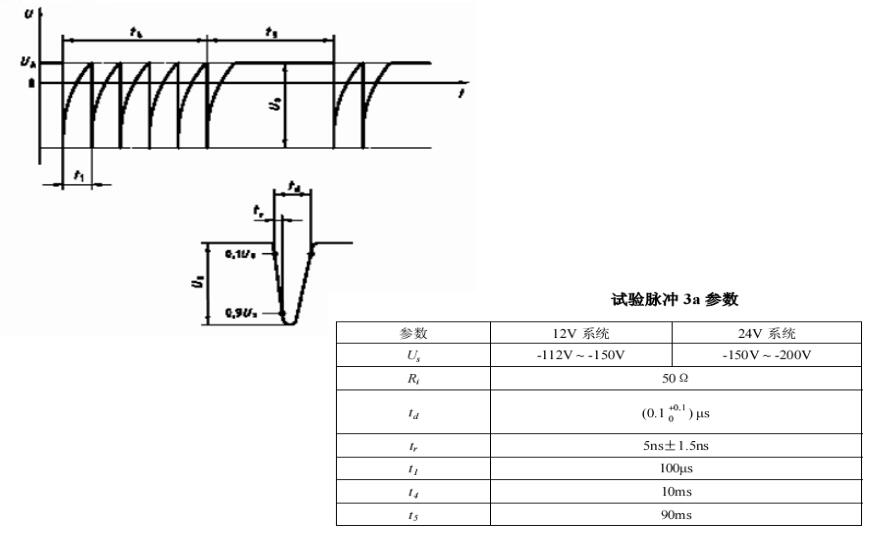
(Pulse1,2a,2b,3a,3b,4,5a,5b )
5、RS ISO11452-2
6、BCI ISO11452-4
7. E-mark ECE R10
8. e-mark 2006/96/EC
9. CE_EMC EN50498
Transient immunity ISO7637‐ 2
ISO7637‐2着重介绍用于车辆电气和电子设备的抗瞬变干扰性能测量方法。标准所提供的这些测量方法适合于在实验室里做型式试验。通过这些试验,可以保证今后安装在12V和24V系统的轿车、轻型货车及普通货车上的设备有足够的抗干扰能力。标准所提供的试验方法适合车辆用电气和电子设备验室里型试验。 在实作 式在ISO7637‐2标准的抗扰度测试部分,分析了车载电源系统的特点(局限在车辆内部的一个比较小的独立电源系统上; 系统的工作电压特别低, 只有12或24V;所有的电气设备龟缩在车辆内部这个狭小的空间。
里工作) ,提出了一个不同于普通工频电源系统的车载电气和电子设备的专用抗扰度测试方法。
在ISO7637‐2标准的抗扰度测试部分提到了好几种脉冲波形, 它们分别代表了车辆电源系统在不同情况下所产生的干扰。







EN50498标准介绍
EN50498, 该标准以EN协调标准的方式规定了上述第一种认证形式(即CE自我宣告的形式) , 适用范围为2004/104/EC汽车EMC指令附录 I中条款3.2.9定义的产品。如: 车载充电器, 车载冰箱, 加热器, 车载视听娱乐产品,车用的FM发射器等等, 这类消费类汽车电器产品都可以通过CE认证的方式销往欧盟各国。
该标准的评估内容包括4个车载测试项目和相关产品族标准,宽带波、窄带波的电磁辐射骚扰测试(CISPR25);传导瞬态发射测试(ISO7637‐2)。
电磁辐射骚扰测试:
1、宽带辐射骚扰

2、窄带辐射骚扰

•传导瞬态发射测试
| Polarity of pulse amplitude | Maximum allowed pulse amplitude for | |
| vehicles with 12 V systems | vehicles with 24 V systems | |
| Positive | +75 | +150 |
| Negative | -100 | -450 |
•传导瞬态抗扰度测试(ISO7637‐2)
| Test pulse number | Immunity test level | Functional status |
| 1 | III | D |
| 2a | III | D |
| 2b | III | D |
| 3a/3b | III | D |
| 4 | III | D |
| 此测试产品只需要满足D等级即符合要求,所谓D等级就是产品在测试完毕之 | ||
| 后有一个或者多个功能不正常需人为的手动重启产品才能正常工作。 | ||
E‐k & e‐ E Mark & e Mark介绍
各国的E/e证书有相应的编号
• E1/e1—德国 E2/e2—法国 E3/e3—意大利 E4/e4—荷兰
• E5/e5—瑞典 E6/e6—比利时 E7/e7—匈牙利 E8/e8—捷克
• E9e9—E10—塞亚 E11e11—国 E12e12—地 / 西班牙 尔维 / 英 / 奥 利
• E13/e13—卢森堡 E14—瑞士 E16—挪威 E17/e17—芬兰
• E18/e18—丹麦 E19/e19—罗马尼亚E20/e20—波兰 E21/e21—葡萄牙
• E22 俄罗斯 E23/e23 希腊 E24/e24 爱尔兰 E25 克罗地亚
• E26/e26—斯洛文尼亚 E27/e27—斯洛伐克 E28—白俄罗斯
• E29/e29—爱沙尼亚 E31—波黑 E32/e32‐‐‐拉脱维亚
4 6 9 • E37—土耳其 E34/e34‐‐保加利亚 E36/e36‐‐立陶宛 E39‐‐阿塞拜疆
• E40‐‐前南斯拉夫马其顿共和国 E42‐‐欧洲共同体 E43‐日本
• E45‐澳大利亚 E46‐乌克兰 E47‐南非 E48‐新西兰
E49/e49塞浦路斯 E50/e50‐马耳他 E51‐韩国
• E52‐马来西亚 E53‐泰国 E56‐黑山 E58‐突尼斯
E & e 的区别

常见带有抗扰相关功能 (Immunity RelatedFunctions )的电子电气零部件
•( 一) 直接控制车辆的功能:
• ‐退化或改变发动机, 例如, 齿轮, 制动, 悬挂, 主动转向, 车速限制装置
• ‐通过影响驾驶员的位置, 如座位或方向盘定位,
• ‐通过影响司机的能见度: 例如近光灯, 挡风玻璃雨刮器;
• (二) 司机, 乘客和其他行人有关保护的功能:
• ‐全全 如安 气囊和安 约束系统;
• (三) 给司机或其他道路使用者造成混乱的功能:
• 光学干扰: 不正确的操作如方向灯, 停车灯, 示廓灯, 后位灯, 灯的应急系统, 错误
信息的预警指示, 与关的条款(一) 或(二) 功能相关可能被驾驶者直接看到的信息
• 声学干扰: 例如, 不正确的操作防盗报警器, 喇叭;
• (四) 车辆数据总线相关功能:
• ‐通过阻止车辆数据总线系统传输数据, 这是用来传输数据, 以确保正确的运作, 其他
免疫相关的功能;
• (五) 干扰影响车辆的法定资料的功能:
• 例如, 转速表, 里程表。
长沙容测电子有限公司致力于电磁兼容测试设备的研发以及电磁兼容测试技术的推广普及,全力为客户提供专业的EMC测试产品和解决方案。
我们的产品:
民用领域:静电放电发生器、脉冲群发生器、雷击浪涌发生器、射频传导抗干扰测试系统、工频磁场发生器、脉冲磁场发生器、阻尼振荡磁场发生器、交流电压跌落发生器、振铃波发生器、共模传导抗扰度测试系统、阻尼振荡波发生器、直流电压跌落发生器等
汽车领域:静电放电发生器、7637测试系统、汽车电子可编程电源、瞬态发射开关测量、汽车线束微中断发生器、BCI大电流注入测试系统、EMI接收机、辐射抗扰度测试系统、低频磁场抗扰度测试系统、射频辐射抗扰度测试系统等
军工领域:静电放电发生器、低频传导抗扰度测试系统、尖峰脉冲发生器、电缆束注入测试系统、快速方波测试系统、高速阻尼振荡测试系统等
