汽车电子传导抗扰度
1、时域信号传导抗扰度
(1)电源线传导瞬态抗扰度(ISO7637-2)
将干扰信号通过直流电源线直接注入,考察设备对直流电源上瞬态干扰的抗扰能力。
(2)信号线传导瞬态抗扰度(ISO7637-3)
将干扰信号通过容性耦合夹(CCC)、感性电流探头(ICC)、电容(DCC)耦合到信号线或控制线上,考察设备的抗电瞬态干扰能力。
2、频域信号传导抗扰度
(1)大电流注入(BCI)法(ISO11452-4)
将一个电流注入探头放在连接被测设备的电缆线束装置(如影音系统、光驱、电动后视镜等汽车电子设备的线束)之上,然后向该探头注入RF干扰。
电源线传导瞬态抗扰度(1)
(1)采用ISO7637-2测试方法(等同于GB/T21437.2)
(2)脉冲来源∶在一定条件下在车辆电气系统中测得的脉冲,以及由电气电路基本配置所产生的脉冲。
(3)仅测试典型脉冲(P1、P2a、P2b、P3a、P3b、P4、P5a、P5b,共8种脉冲)

电源线传导瞬态抗扰度(2)
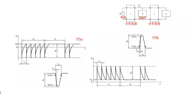
ISO7637-2脉冲分析

电源线传导瞬态抗扰度(3)
"EFT"波形分析∶
P3a:模拟汽车电子系统中各种开关、继电器在开启或关闭过程中由于分布电容和分布电感所产生的EFT脉冲。
P3b:模拟电动门窗的驱动单元、喇叭或中央门控系统的开关切换过程中所产生的EFT脉冲。

电源线传导瞬态抗扰度(4)
"Surge"波形分析∶
P1:产生于电感性负载的电源断开瞬间,它影响与感性负载并联的装置。
P2a:由于和被试设备相并联的设备被突然切断电流时,在线束电感上产生的瞬变。
P2b:点火被切断的瞬间,由于直流电动机所伴演的发电机角色,并由此产生的瞬变现象。
P5a、P5b:当交流发电机产生充电电流时,断开与电池(亏电状态)的连接,其他负载仍然与交流发电机保持连接。

电源线传导瞬态抗扰度(5)
"Surge"波形分析∶

电源线传导瞬态抗扰度(6)"Dip"波形分析∶
P4:模拟内燃机起动机启动时引起电源电压降低。

信号线传导瞬态抗扰度(1)
(CCC法)
A、试验方法∶
ISO7637-3中的容性耦合夹测试方法
B、试验脉冲∶
P3a和P3b(快速脉冲)
C、试验原理∶
将脉冲干扰通过容性耦合夹耦合到信号线上。

信号线传导瞬态抗扰度(2)
(ICC法)
A、试验方法∶ISO7637-3中的感性耦合钳测试法B、试验脉冲∶P2a(慢脉冲)
C、试验原理∶将脉冲干扰通过电流注入钳耦合到信号线上。

信号线传导瞬态抗扰度(3)
(DCC法)]
对于 DCC方法,应验证脉冲发生器的特性,先测量脉冲发生器输出端开路时的电压,然后测量脉冲发生器输出接有端接器时的电压,其端接器的阻抗应满足 GB/T 21437.2一2008中脉冲的规定。脉冲发生器的输出与耦合电容串联,采用高阻抗示波器测量电容器输出端开路时的峰值电压,应调节脉冲发生器的输出,使电容器输出端开路时的峰值电压达到试验要求的电平。
长沙容测电子有限公司致力于电磁兼容测试设备的研发以及电磁兼容测试技术的推广普及,全力为客户提供专业的EMC测试产品和解决方案。emc测试设备主要有:军工EMC测试设备,新能源汽车EMC测试设备,48V汽车电子可编程电源,汽车电气性能测试设备,BCI大电流注入,群脉冲发生器,雷击浪涌发生器,阻尼振荡波测试仪,静电放电发生器,电压跌落发生器等。
