下面是30种EMC标准电路分享,希望对您有所帮助。
01 AC24V接口EMC设计标准电路
02 AC110V-220VEMC设计标准电路
03 AC380V接口EMC设计标准电路
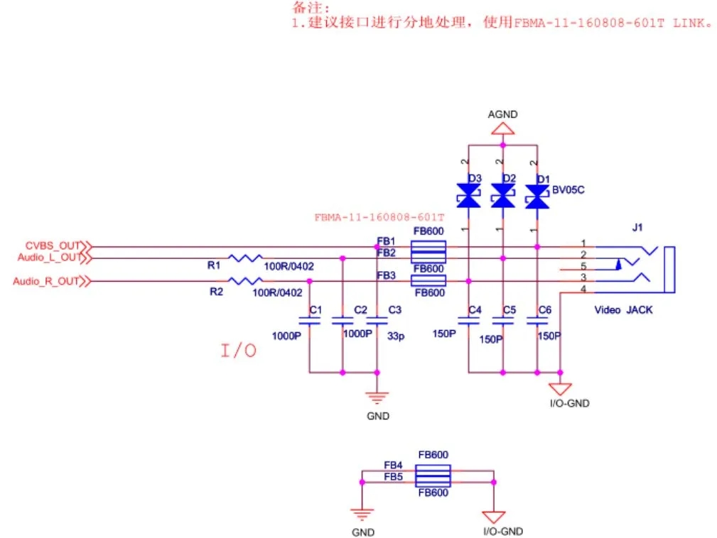
04 AV接口EMC设计标准电路
05 CAN接口EMC设计标准电路
06 DC12V接口EMC设计标准电路
07 DC24V接口EMC设计标准电路
08 DC48接口EMC设计标准电路
09 DC110V接口EMC设计标准电路
010 DVIEMC设计标准电路
011 HDMI接口EMC设计标准电路
012 LVDS接口EMC设计标准电路
013 PS2接口EMC设计标准电路
014 RJ11EMC设计标准电路
015 RS232 EMC设计标准电路
016 RS485EMC设计标准电路
017 SCART接口EMC设计标准电路
018 s-video接口EMC设计标准电路
019 USBDEVICE EMC设计标准电路
020 USB2.0接口EMC设计标准电路
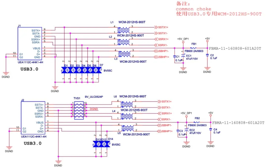
021 USB3.0接口EMC设计标准电路
022 VGA接口EMC设计标准电路
023 差分时钟EMC设计标准电路
024 耳机接口EMC设计标准电路
025 复合视频接口EMC设计标准电路
026 汽车零部件电源口EMC标准设计电路
027 室内外天馈浪涌设计标准电路
028 无源晶振EMC设计标准电路
029 有源晶振EMC设计标准电路
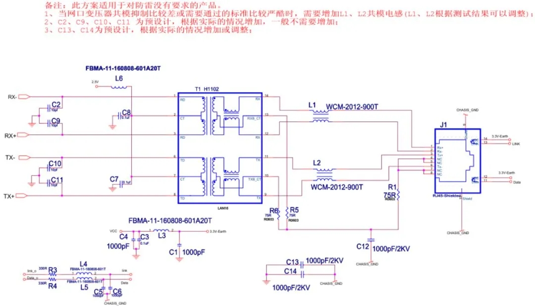
030 以太网EMC(EMI)设计标准电路
031 以太网EMC(浪涌)设计标准电路(差模要求较高方案)
032 以太网EMC(浪涌)中心抽头方案(节约空间)
【声明】文章信息来源于互联网,目的在于传递更多信息,如转载内容涉及版权等问题,请立即与我们联系删除。
长沙容测电子有限公司致力于电磁兼容测试设备的研发以及电磁兼容测试技术的推广普及,全力为客户提供专业的EMC测试产品和解决方案。EMC电磁兼容测试仪主要有:军工EMC测试设备,48V汽车电子可编程电源,汽车电气性能测试设备,BCI大电流注入,新能源汽车EMC测试设备,群脉冲测试仪,雷击浪涌发生器,阻尼振荡波测试仪,静电放电发生器,电压跌落发生器等。
































