浪涌(冲击)抗扰度(Surge)
符合标准:GB/T 17626.5 IEC 61000-4-5
雷击浪涌发生器测试项目来源
①雷电击中一次高压系统或击中二次低压供电系统线路、或通信线路上;
②空中云层间放电或云层与大地间放电,地电流会进入地线;
③开关操作如电容器组的切换、晶闸管的通断、设备和系统对地短路和电弧故障等也可在电网上产生暂态过电压或过电流;
④浪涌呈脉冲状,其波前时间为微秒,脉冲半峰值时间从几十微秒到几百微秒,脉冲幅度从几百伏到几万伏,是一种能量较大的骚扰。
雷击浪涌发生器试验要求
①与电源馈线连接的设备,用4/300μs波形;
②与信号传输线连接的设备,用10/700μs波形;
③与钢铁连接的设备,用10/200μs波形;
④对雷击大地使用地电位上升易被反击的设备,应进行直击雷反击模拟试验,用1.2/50μs波形;
⑤室外信号设备的信号传输线防雷保安器,用8/20μs冲击电流波形.
雷击浪涌发生器抗扰度试验步骤
1、根据试品的实际使用和安装条件进行布局和配置(也包括有些标准会改变体现波形发生器信号源内阻的附加电阻)。
2、根据产品要求来选定试验电压的等级及试验部位。
3、在每个选定的试验部位上,正、负极性的干扰至少要各加5次,每次浪涌的重复率峰值为1次/分钟(因为大多数系统用的保护装置在两次浪涌之间要有一个恢复期,所以设备在做雷击浪涌试验时存在一个重复率峰值的问题)。
4、对于由交流供电的设备,还要考虑浪涌波的注入是否要与电源电压同步的问题。如无特殊规定,通常要求在电源电压波形的过零点和正、负峰点的位置上叠加浪涌信号。
5、考虑到被试设备电压一电流转换特性的非线性,试验电压应该逐步增加到产品标准的规定值,电源的选择应该是自动变频电源,以避免试验中可能出现的假象(在高试验电压时,因为被试设备中可能有某个薄弱器件击穿,旁路了试验电压,致使试验得以通过。然而在低试验电压时,由于薄弱器件未被击穿,因此试验电压以全电压加在试验设备上,反而使试验无法通过)。
6、浪涌要加在线~线或线~地之间。如果要进行的是线~地试验,且无特殊规定,则试验电压要依次加在每一根线与地之间。但要注意,有时出现标准要求将干扰同时叠加在2根或多根线对地的情况,这时脉冲的持续时间允许减小一些。
7、由于试验可能是破坏性的,所以决不要使试验电压超过规定值。
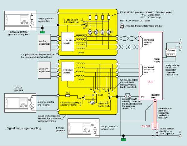
雷击浪涌发生器试验布置
如下图所示:

交直流、三相电源耦合浪涌试验布置图

信号、控制线耦合浪涌试验布置图
雷击浪涌发生器试验注意事项
1、试验前务必按照制造商对雷击浪涌发生器的要求加接措施。
2、试验速率每分种1次,不宜太快,以便给雷击浪涌发生器有一个性能恢复的过程。事实上,自然界的雷击现象和开关站大型开关的切换也不可能有非常高的重复率现象存在。
3、试验,一般正/负极性各做5次。
4、试验电压要由低到高逐渐升高,避免试品由于伏安非线性特性出现的。另外,要注意试验电压不要超出产品标准的要求,以免带来不必要的损坏。
雷击浪涌发生器应用领域:
工业设备、电力仪表、车载电子、医疗器械、照明器具、通信设备、音视频设备、低压电器、电子部件、电动工具、信息技术设备、轨交航天电器、仪器仪表
长沙容测电子有限公司致力于电磁兼容测试设备的研发以及电磁兼容测试技术的推广普及,全力为客户提供专业的EMC测试产品和解决方案。emc测试仪主要有:军工emc测试设备,48V汽车电子可编程电源,汽车电气性能测试设备,BCI大电流注入,新能源汽车emc测试设备,脉冲群发生器,雷击浪涌发生器,射频传导抗扰度测试系统,工频磁场发生器,阻尼振荡波测试仪,静电放电发生器,电压跌落发生器等。

