静电是两种介电系数不同的物质磨擦时,正负极性的电荷分别积累在两个物体上而形成。 就人体而言,衣服与皮肤之间的磨擦发生的静电是人体带电的主要原因之一。静电源跟其它物体接触时,存在着电荷流动以抵消电压,这个高速电量的传送,将产生潜在的破坏电压、电流以及电磁场,这就是静电放电。在电子产品的生产和使用过程中,操作者是最活跃的静电源,可能积累一定数量的电荷,当人体接触与地相连的元件、装置的时候就会产生静电放电。静电放电一般用ESD表示。
ESD会导致电子设备严重地损坏或操作失常。
大多数半导体器件都很容易受静电放电而损坏,特别是大规模集成电路器件更为脆弱。静电对器件造成的损坏有显性的和隐性的两种。 隐性损坏在当时看不出来, 但器件变得更脆弱, 在过压、高温等条件下极易损坏。ESD两种主要的破坏机制是:由于 ESD电流产生热量导致设备的热失效;由于 ESD感应出高的电压导致绝缘击穿。
除容易造成电路损害外,ESD也会对电子电路造成干扰。ESD电路的干扰有二种方式。一种是传导方式,若电路的某个部分构成了放电路径,即ESD接侵入设备内的电路,ESD电流流过集成片的输入端,造成干扰。ESD干扰的另一种方式是辐射干扰。即静电放电时伴随火花产生了尖峰电流, 这种电流中包含有丰富的高频成分。从而产生辐射磁场和电场,磁场能够在附近电路的各个信号环路中感应出干扰电动势。该干扰电动势很可能超过逻辑电路的阀值电平,引起误触发。辐射干扰的大小还取决于电路与静电放电点的距离。ESD产生的磁场随距离的平方衰减。ESD产生的电场随距离立方衰减。当距离较近时,无论是电场还是磁场都是很强的。ESD发生时,在附近位置的电路一般会受到影响。ESD在近场,辐射耦合的基本方式可以是电容或电感方式,取决于ESD源和接受器的阻抗。在远场,则存在电磁场耦合。与 ESD相关的电磁干扰( EMI)能量上限频率可以超过 1GHz。在这个频率上,典型的设备电缆甚至印制板上的走线会变成非常有效的接收天线。 因而,对于典型的模拟或数字电子设备, ESD会感应出高电平的噪声。一般来说,造成损坏,ESD电火花必须直接接触电路线,而辐射耦合通常只导致失常。在 ESD作用下,电路中的器件在通电条件下比不通电条件下更易损坏。
电子产品的静电放电测试及相关要求
对不同使用环境、不同用途、不同ESD敏感度的电子产品标准对静电放电抗扰度试验的要求是不同的,但这些标准关于 ESD抗扰度试验大多都直接或间接引用 GB/T17626.2-1998(IEC 61000-4-2:1995):《电磁兼容 试验和测量技术 静电放电抗扰度试验》这一国家电磁兼容基础标准,并按其中的试验方法进行试验。下面就简要介绍一下该标准的内容、试验方法及相关要求。
试验对象:
该标准所涉及的是处于静电放电环境中和安装条件下的装置、系统、子系统和外部设备。
试验内容:
静电放电的起因有多种,但该标准主要描述在低湿度情况下,通过摩擦等因素,使操作者积累了静电。电子和电气设备遭受直接来自操作者的静电放电和对临近物体的静电放电时的抗扰度要求和试验方法。
试验目的:
试验单个设备或系统的抗静电干扰的能力。它模拟:(1)操作人员或物体在接触设备时的放电。(2)人或物体对邻近物体的放电。
ESD的模拟:
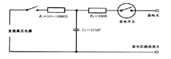
下图分别给出了ESD发生器的基本线路和放电电流的波形。放电线路中的储能电容CS代表人体电容,现公认 150pF比较合适。放电电阻 Rd为330Ω,用以代表手握钥匙或其他金属工具的人体电阻。现已证明,用这种放电状态来体现人体放电的模型是足够严酷的。

静电放电发生器

静电放电的电流波形
该标准规定的试验方法有两种:接触放电法和空气放电法。
接触放电法:试验发生器的电极保持与受试设备的接触并由发生器内的放电开关激励放电的一种试验方法。
空气放电法:将试验发生器的充电电极靠近受试设备并由火花对受试设备激励放电的一种试验方法。
接触放电是优先选择的试验方法,空气放电则用在不能使用接触放电的场合中。
ESD试验等级及其选择:
试验电平以最切合实际的安装环境和条件来选择,下表中提供了一个指导原则。表1 同时也给出了静电放电试验等级的优先选择范围,试验应满足该表所列的较低等级。
试验等级选择

对空气放电该标准规定了环境条件:
环境温度: 15℃~35℃、相对湿度: 30%~60%RH、大气压力: 86kPa~106kPa
对接触放电该标准未规定特定的环境条件。
试验布置
标准对试验布置也做出了详细的规定,图 13 所示为台式设备的试验布置示意图。
ESD试验实施
实施部位: 直接放电施加于操作人员在正常使用受试设备时可能接触到的点或面上; 间接放电施加于水平耦合板和垂直耦合板。直接放电模拟了操作人员对受试设备直接接触时发生的静电放电情况。间接放电则是对水平耦合板和垂直耦合板进行放电, 模拟了操作人员对放置于或安装在受试设备附近的物体放电时的情况。
直接放电时,接触放电为首选形式;只有在不能用接触放电的地方(如表面涂有绝缘层,计算机键盘缝隙等情况)才改用气隙(空气)放电。
间接放电:选用接触放电方式。试验电压要由低到高逐渐增加到规定值。不同的产品或产品族标准对试验的实施可能根据产品的特点有特定的规定。

台式设备静电放电布置示意图
试验结果若静电放电测试通不过,可能产生如下后果:
( 1)直接通过能量交换引起半导体器件的损坏。
( 2)放电所引起的电场与磁场变化,造成设备的误动作。
电子产品的静电放电对策及改进要点
有很多办法减小ESD产生的电磁干扰( EMI)影响电子产品或设备:完全阻止 ESD 产生,阻止 EMI(本文中专指因 ESD产生的 EMI)耦合到电路或设备以及通过设计工艺增加设备固有的 ESD抗扰性。ESD通常发生在产品自身暴露在外的导电物体,或者发生在邻近的导电物体上。对设备而言,容易产生静电放电的部位是:电缆、键盘及暴露在外的金属框架以及设备外壳上的孔、洞、缝隙等。常用的改进方法是在产品 ESD 发生或侵入危险点,例如输入点和地之间设置瞬态保护电路,这些电路仅仅在 ESD感应电压超过极限时发挥作用。保护电路可以包括多个电流分流单元。有多种电路可以达到 ESD保护的目的,但选用时必须考虑以下原则,并在性能和成本之间加以权衡:速度要快,这是 ESD 干扰的特点决定的;能应付大的电流通过;考虑瞬态电压会在正、负极性两个方向发生; 对信号增加的电容效应和电阻效应控制在允许范围内;考虑体积因素;考虑产品成本因素。
我们可以从以下几种抑制 ESD干扰的方法中选择适用的对策:
外壳设计:
外壳在人手和内部电路间建立隔离层,阻止 ESD的发生,金属外壳同时也是阻止 ESD 间接放电形成的辐射及传导耦合的关键。一个完整的封闭金属壳能在辐射噪声中屏蔽电路,但由于从电路到屏蔽壳体的 ESD 副级电弧可能产生传导耦合,因而一些外壳设计使用绝缘体,在绝缘壳中,放置一个金属的屏蔽体。这种设计的好处是既可以防止因操作者对金属外壳的直接接触放电造成干扰, 又可以防止操作者对周围物体放电时形成的EMI耦合到内部形成干扰,同时在操作者对外壳的孔、洞、缝隙放电时给放电电流一个泄放通道,防止对内部电路直接放电。 这种做法的简化是在设备金属外壳上涂绝缘漆或贴一层绝缘物质,使绝缘能力大于20kV。
因为静电会穿过孔洞、缝隙放电,所以绝缘外壳的孔洞、 缝隙与内部电路间应留有足够的空间,2cm左右的空气隙可以阻止静电放电的发生。对外壳上的孔、洞、排气口等,用几个小孔代替一个大孔,从EMI抑制的角度来说更好。为减小EMI噪声,缝隙边沿每隔一定距离处使用电连接。对金属外壳而言, 外壳各部分之间的搭接非常重要, 若机箱两部分之间的搭接阻抗较高, 当静电放电电流流过搭接点时,会产生电压降,这可能会影响电路的正常工作。
解决这个问题的方法有两个: 1)尽量使外壳保持导电连续,减少搭接阻抗。 2)在电路与机箱之间增加一层屏蔽,减小电路与机箱之间的电容耦合。内层屏蔽要与外壳连接起来。如果是塑料外壳, 则要求对电路的接地进行仔细布置, 以防止放电电流感应到电路上去。 塑料外壳的优点是不会产生直接放电现象。如果塑料外壳上没有大的开孔,则塑料外壳能对电路起到保护作用,但塑料外壳对防止操作者对周围物体放电时耦合到内部形成干扰无抑制能力。
接地设计:
一旦发生了静电放电, 应该让其尽快旁路人地, 不要直接侵入内部电路。 例如内部电路如用金属机箱屏蔽,则机箱应良好接地,接地电阻要尽量小,这样放电电流可以由机箱外层流入大地,同时也可以将对周围物体放电时形成的骚扰导入大地,不会影响内部电路。对金属机箱,通常机箱内的电路会通过I/O 电缆、电源线等接地,当机箱上发生静电放电时,机箱的电位上升,而内部电路由于接地,电位保持在地电位附近。这时,机箱与电路之间存在着很大的电位差。这会在机箱与电路之间引起二次电弧。 使电路造成损坏。 通过增加电路与外壳之间的距离可以避免二次电弧的发生。 当电路与外壳之间的距离不能增加时, 可以在外壳与电路之间加一层接地的金属挡板,挡住电弧。如果电路与机箱连在一起, 则只应通过一点连接。 防止电流流过电路。 线路板与机箱连接的点应在电缆入口处。对塑料机箱,则不存在机箱接地的问题。
电缆设计:
一个正确设计的电缆保护系统可能是提高系统 ESD 非易感性的关键。作为大多数系统中的最大的“天线” — I/O电缆特别易于被 ESD干扰感应出大的电压或电流。从另一方面,电缆也对 ESD干扰提供低阻抗通道,如果电缆屏蔽同机壳地连接的话。通过该通道 ESD 干扰能量可从系统接地回路中释放,因而可间接地避免传导耦合。为减少 ESD 干扰辐射耦合到电缆,线长和回路面积要减小,应抑制共模耦合并且使用金属屏蔽。对于输入 /输出电缆可采用使用屏蔽电缆、共模扼流圈、过压箝位电路及电缆旁路滤波器措施。 在电缆的两端, 电缆屏蔽必须与壳体屏蔽连接。 在互联电缆上安装一个共模扼流圈可以使静电放电造成的共模电压降在扼流圈上,而不是另一端的电路上。两个机箱之间用屏蔽电缆连接时, 通过电缆的屏蔽层将两个机箱连接在一起, 这样可以使两个机箱之间的电位差尽量小。 这里, 机箱与电缆屏蔽层之间的搭接方式很重要。 强烈建议在电缆两端的机箱与电缆屏蔽层之间 360°搭接。
键盘和面板:
键盘和控制面板的设计必须保证放电电流能够直接流到地,而不会经过敏感电路。对于绝缘键盘,在键与电路之间要安装一个放电防护器(如金属支架),为放电电流提供一条放电路径。放电防护器要直接连接到机箱或机架上,而不能连接到电路地上。当然,用较大的旅钮(增加操作者到内部线路的距离)能够直接防止静电放电。 键盘和控制面板的设计应能使放电电流不经过敏感电路而直接到地。采用绝缘轴和大旋钮可以防止向控制键或电位器放电。现在, 较多的电子产品面板采用薄膜按键和薄膜显示窗, 由于该薄膜由耐高压的绝缘材料构成,可有效防止ESD通过按键和显示窗进入内部电路形成干扰。另外,现在大多数键盘的按键内部均有由耐高压的绝缘薄膜构成的衬垫,可有效防止ESD的干扰。
电路设计:
设备中不用的输入端不允许处于不连接或悬浮状态, 而应当直接或通过适当电阻与地线或电源端相连通。一般来说, 与外部设备连接的接口电路都需要加保护电路, 其中也包括电源线, 这一点往往被硬件设计所忽视。以微机为例来讲,应该考虑安排保护电路的环节有:串行通信接口、并行通信接口、键盘接口、显示接口等。滤波器 (分流电容或一系列电感或两者的结合) 必须用在电路中以阻止 EMI耦合到设备。 如果输入为高阻抗, 一个分流电容滤波器最有效, 因为它的低阻抗将有效地旁路高的输入阻抗, 分流电容越接近输入端越好。 如果输入阻抗低, 使用一系列铁氧体可以提供最好的滤波器, 这些铁氧体也应尽可能接近输入端。
在内部电路上加强防护措施。对于可能遭受直接传导的静电放电干扰的端口,可以在 I/O 接口处串接电阻或并联二极管至正负电源端。MOS 管的输入端串接 100kΩ电阻,输出端串接 1kΩ电阻,以限制放电电流量。TTL管输人端串接 22~100Ω电阻,输出端串接 22~47Ω电阻。模拟管输入端串接 100Ω~
100kΩ,并且加并联二极管,分流放电电流至电源正或负极,模拟管输出端串接 100Ω的电阻。在 I/O信号线上安装一个对地的电容能够将接口电缆上感应的静电放电电流分流到机箱,避免流到电路上。 但这个电容也会将机壳上的电流分流到信号线上。 为了避免这种情况的发生, 可以在旁路电容与线路板之间安装一只铁氧体磁珠, 增加流向线路板的路径的阻抗。 需要注意的是, 电容的耐压一定要满足要求。静电放电的电压可以高达数千伏。用一个瞬态防护二极管也能够对静电放电起到有效的保护, 但需要注意, 用二极管虽然将瞬态干扰的电压限制住了, 但高频干扰成分并没有减少,该电路中一般有与瞬态防护二极管并联的高频旁路电容抑制高频干扰。在电路设计及电路板布线方面,应采用门电路和选通脉冲。 这种输入方式只有在静电放电和选通同时发生时才能造成损坏。而脉冲边沿触发输入方式对静电放电引起的瞬变很敏感,不宜采用。
PCB 设计:
良好的 PCB设计可以有效地减少 ESD干扰对产品造成的影响,这也是电磁兼容设计中 ESD设计部分的一个重要的内容, 大家可以从那部分课程中得到详细的指引。 对一个成品进行电磁兼容对策时, 很难再对 PCB进行重新设计(改进成本太高) ,此处不再加以介绍。
软件:
除了硬件措施外,软件抑制方案也是减少系统锁定等严重失常的有力方法。软件 ESD 抑制措施分为两种常用的类别:刷新、检查并且恢复。刷新涉及到周期性地复位到休止状态,并且刷新显示器和指示器状态。 只需进行一次刷新然后假设状态是正确的, 其它的事就不用做了。检查 /恢复过程用于决定程序是否正确执行,它们在一定间隔时间被激活,以确认程序是否在完成某个功能。如果这些功能没有实现,一个恢复程序被激活。
一般 ESD对策准则:
( 1)在易感 CMOS、MOS器件中加入保护二极管;
( 2)在易感传输线上(地线在内)串几十欧姆的电阻或铁氧体磁珠;
( 3)使用静电保护表面涂敷技术,使 ESD难以机芯放电,经证明十分有效;
( 4)尽量使用屏蔽电缆;
( 5)在易感接口处安装滤波器;并将无法安装滤波器的敏感接口加以隔离;
( 6)选择低脉冲频率的逻辑电路;
( 7)外壳屏蔽加良好的接地
长沙容测电子有限公司致力于电磁兼容测试设备的研发以及电磁兼容测试技术的推广普及,全力为客户提供专业的EMC测试产品和解决方案。emc测试设备主要有:军工emc测试设备,48V汽车电子可编程电源,汽车电气性能测试设备,BCI大电流注入,新能源汽车emc测试设备,群脉冲测试仪,雷击浪涌发生器,射频传导抗扰度测试系统,工频磁场发生器,阻尼振荡波测试仪,静电放电发生器,电压跌落发生器等。
