体外诊断医疗器械电磁兼容测试标准
GB/T 18268.1-2010测量、 控制和实验室用的电设备 电磁兼容性要求 第1部分: 通用要求
GB/T 18268.26-2010 测量、 控制和实验室用的电设备 电磁兼容性要求 第26部分: 特殊要求 体外诊断(IVD)医疗设备
体外诊断医疗器械基础标准
1 电快速瞬变脉冲群(EFT)实验,执行标准GB/T 17626. 4-2008
2 浪涌实验,执行标准GB/T 17626. 5-2008
3 静电放电实验,执行标准GB/T 17626. 2-2006
4 射频传导抗扰度,执行标准GB/T 17626. 6-2008
5 电压暂降和短时中断,执行标准GB/T 17626. 11-2008
6 射频电磁场辐射抗扰度,执行标准GB/T 17626. 3-2006
7 工频磁场抗扰度,执行标准GB/T 17626. 8-2006
8 谐波电流,执行标准GB/T 17625. 1-2012
9 电压变化、 电压波动和闪烁限值,执行标准GB/T 17625. 2-2007
10 端子骚扰电压,执行标准GB 4824-2004
11 电磁辐射骚扰,执行标准GB 4824-2004
体外诊断医疗器械测试项目
电快速瞬变脉冲群抗扰度( EFT—Electrical FastTransient) 实验
执行标准:GB/T 1 7626.4-2008 /IEC 61 000-4-4
实验目的:模拟感性负载切换产生的干扰,如:继电器、电机、压缩机、日光灯等
测试部位(同浪涌、射频传导)
交流电源端口、直流电源端口(适用预期永久连接长距离线路的直流电源输入端口)、I/O信号端口(仅适用电缆长于3m)


电快速瞬变脉冲群抗扰度(EFT)实验布置

若相对湿度过高, 以致引起受试设备凝露, 则不进行试验
实验实施
正负各施加1 min, L、 N、 PE、 L+N+PE
结果判定
性能判据B
注:
性能判据A: 试验时, 在规范限值内性能正常
性能判据B: 试验时, 功能或性能暂时降低或並失, 但能自行恢复
性能判据C: 试验时, 功能或性能暂时性降低或並失, 但需要操作者干预或系统复位
浪涌( surge) 实验
执行标准GB/T 1 7626.5-2008 /IEC 61 000-4-5
实验目的
模拟间接雷击对设备的干扰, 雷击分为直接雷击和间接雷击直接雷, 它击于外部电路, 注入的大电流流过接地电阻或外部电路阻抗而产生电压;间接雷, 它在建筑物内、 外导体上产生感应电压和电流。
浪涌( surge) 实验干扰波形( 开路电压)

浪涌( surge)实验干扰波形( 短路电流)

若相对湿度过高, 以致引起受试设备凝露, 则不进行试验
实验实施
正负电压各施加5次, 每次干扰施加间隔1 min或者更短
实验布置
测试时将被测试样品及其连接线置于绝缘支座上
结果判定
性能判据B
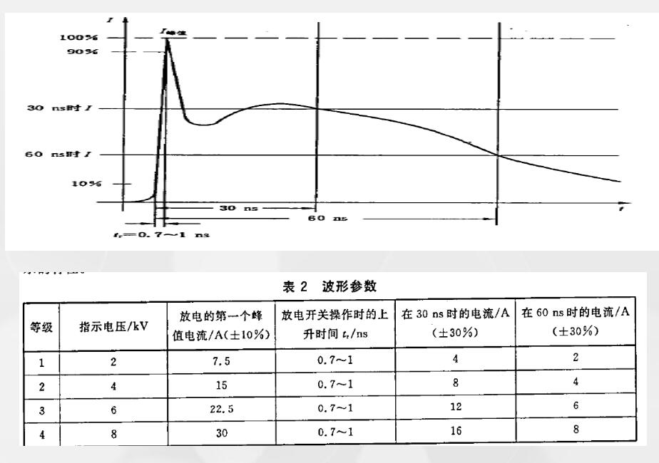
静电( ESD) 实验
执行标准:LGB/T1 7626.2-2006 /IEC 61 000-4-2
实验目的:模拟操作人员或物体在接触受试设备时的放电以及人或物体对邻近物体的放电
静电(ESD—Electro-Static discharge)实验干扰波形

环境温度1 5℃~35℃; 环境湿度30%~60%; 大气压86kPa~1 06kPa
实验实施
正负各施加10次,单次放电时间间隔至少1s。
测试部位
直接放电
接触放电: 可接触的外壳金属部位及金属涂层部位( 2KV、 4KV)
空气放电: 绝缘材料外壳及绝缘涂层部位 ( 2KV、 4KV、 8KV)
间接放电
接触放电
垂直耦合板和水平耦合板
静电(ESD—Electro-Static discharge)实验布置
实验布置(台式)

实验布置(落地式)

性能判据B
射频传导(CS—onducted Susceptibility)实验
执行标准:GB/T17626.6-2008/1 EC 61000-4-6
实验目的:模拟射频信号对受试设备的影响
射频:位于声频和红外频谱之间的电磁频谱中,用于无线电信号
传播的频率/通常采用的范围是9kHz~3000GHz
实验部位
交流电源端口、直流电源端口(适用预期永久连接长距离线路 的直流电源输入端口)、I/O信号端口(仅适用电缆长于3m)

若相对湿度过高,以致引起受试设备凝露,则不进行试验
实验实施
调幅调制80% , 3V/m , 150KHz~80MHz
实验布置
1)、受试设备放在0.1m高的绝缘支架上
2)、所有与受试设备连接的电缆放置于接地参考面上方至少30mm
3)、耦合去耦网络(CDN)与被测设备之间的距离在0.1m-0.3m之间

性能判据A
电压跌落和短时中断(DIP)实验
执行标准:GB/T17626.11-2008/IEC 61000-4-11
实验目的:模拟电网电压不稳定产生的干扰
实验位置:交流电源端口

若相对湿度过高,以致引起受试设备凝露,则不进行试验
实验实施
>电压暂降
电压跌落到0%持续1周期;电压跌落到40%,持续5/6周期;电压跌落到70%,持续25/30周期;
>电压中断
电压跌落到5% , 50Hz持续250周期,60Hz持续300周期;
电压跌落和短时中断(DIP)实验
试验布置
将受试设备置于绝缘支架上
结果判定
电压跌落到0%
电压跌落到40%
电压跌落到70%
电压跌落到5%
持续1周期
持续5/6周期
持续5/6周期
持续250/300周期
射频电磁场辐射抗扰度(RS- Radiated Susceptibility)实验
执行标准GB/T17626.3-2006/IEC 61000-4-3
实验目的
受试设备承受射频干扰的能力
实验位置
受试设备外壳
射频电磁场辐射抗扰度(RS )实验
干扰波形

若相对湿度过高,以致引起受试设备凝露,则不进行试验
实验实施
调幅调制80% , 3V/m , 80MHz~2GHz
实验布置
均匀域的概念
这是一个假想的垂直平面,此平面中的场的变化足够小,测量16个点至少要有12个点在容差范围内(-OdB〜6dB )即认为场是均匀的。


落地式设备

性能判据A
工频磁场辐射抗扰度(PMS—Power frequency magnetic susceptibility)实验
执行标准:GB/T 17626.8-2006
实验目的:模拟50Hz工频电力线所构成的磁场伽大型变压设备附近的磁场等) 对设备的影响仅适用于潜在对磁性敏感的设备,如霍尔元件,磁场传感器
实验位置:外壳
实验环境条件
温度:15到35度,相对湿度:25%-75% ,大气压:86-106kPa
实验实施
3A/m (lA/m相当于自由空间的磁感应强度为1.26μT)
50Hz/60Hz
实验布置

实验判定
性能判据A
谐波(Harmonics)实验

设备的输入电压为正弦波,当该电压的输入负载为非线性电路时Z将会使得输入电流发生畸变,即输入电流不为正弦波,根据傅里叶变换,非正弦波在频域会存在谐波,这些谐波会降低设备电源的的使用效率,并且会倒灌至电网,对电网产生污染测试上限为基波频率的40次谐波
设备分类
A类:平衡的三相设备;家用电器(不包括划入D类的设备);电动 工具(不包括便携式工具);白炽灯调光器;音频设备。凡未归 入其他三类设备的均视为A类设备
B类:便携式工具;非专用的电弧焊接设备
C类:照明设备
D类:功率小于或等于600W的个人计算机、计算机显示器及电视接 收机
体夕卜诊断设备分类
A类设备
适用于除使用在家用设施内和直接连接到住宅低压供电网络 外的设施内使用的设备
B类设备
使用在家用设施内和直接连接到住宅低压供电网络上的设施 内使用的设备,GB/T 18268.1-2010中规定发射限值

以下几种情况可无需进行试验
—— 额定电压低于220V ;每相输入电流Z16A
—— 额定功率小于75W及以下的设备不需进行谐波电流实验,照明 设备除外
—— 总额定功率大于1KW的专用设备
专用设备:在商业、专业或工业中使用而不出售给一般公众的设备
—— 额定功率不大于200W的对称控制加热元件
—— 额定功率不大于1KW的白炽灯独立调光器
对称控制:控制装置设计成在交流电压/电流的正负半周内按相同方法操作的控制方式 若输入电流的正负半周具有相同的波形和幅值当电流波形正负两个半周相同时则认为 广义相位控制是对称的
对那些非高压整流方式来供电的家电产品,低次谐波电流限值比较宽松,合格是比较容易的,此时,应注意的是20次以上的高次谐波电流容易出现问题。
对此类的高次谐波超标问题,一般在电源回路中增加适当的高次谐波滤波电感(高频扼流圈)即可解决问题。
由于半波整流方式和利用相位截波方式调节(如可控硅非过零控制)对电源进行对称和非对称控制都很容易产生非常大的谐波电流。谐波电流标准一般不允许采用半波整流方式和对电源进行对称和非对称控制。
若测试时谐波电流超标,建议将电源半波整流方式和对称/非对称控制方式改为其他的 控制方式。
如将半波整流改为全波整流或桥式整流方式。将利用相位截波方式调节的对称/非对称 控制方式改成对称的过零触发控制方式。可以有效地解决此类谐波问题。
限值

执行标准:GB/T 17625.2-2012
实验目的
由于现在日常生活中越来越多的电器的使用,特别是有自动控制通断的设备的使用,使电网负荷频繁变化,引起电网电压产生波动,进而使同一 网络的照明设备的亮度发生变化,这种闪烁容易使人烦恼,特别对癫痫病人 的健康特别有害,所以,电压闪烁测试是一种危害度评估测试。
适用范围
——每相输入电流M6A
限值
PLT——长期闪烁指示值,用连续的%t评定长时间(几个小时)内闪烁的严酷程度。
△U(t)——电压变化特性在电压处于稳态至少1S的时间间隔内,以每个相连的电源 电压过零点间的半周期上的有效值电压变化作为单一值评定的有效值电压变化对时间 的函数
△Umax——最大电压变化特性电压变化特性最大有效值与最小有效值之差
△UC 稳态电压变化被至少一个电压变化特性隔开的两个相邻稳态电压之间的电压

PST值不大于1.0
Plt值不大于0.65
在电压变化期间d (t)值超过3.3%的时间不大于500ms
相对稳态电压变化d不超过3.3%
最大相对电压变化cUx不超过4%、6%、7%
4% :无附加条件
6% :设备为手动开关或每天多余2次的自动开关,且在电源中断后有一个 延时再启动,或手动再启动
7% :使用时有人照看或每天不多于2次的自动开关或打算手动的开关,且 在电源中断后,有一个延时再启动或手动再启动
端子骚扰电压(CE-conducted Emission)实验
执行标准:GB 4824-2008
测试目的:测试频段150KHZ〜30MHz内受试设备通过电源线对电网的干扰程度
端子骚扰电压实验布置
LISN:Line Impedance Stabilization Network的缩写,即线性阻抗稳定网络

I组工科医设备:为发挥自身功能的需求,而有意产生和(或)使用传导耦合射频 能量的所有工科医设备
如:心电图及心电图设备和系统,脑电图和脑磁图设备和系统。
另夕卜一些预期以非射频电磁形式传递能量给患者的设备和系统也属于I组工科医设 备,如X射线诊断系统、CT、核医学、超声诊断、X射线治疗、超声治疗、输液泵、 呼吸机、监视设备和系统等
II组工科医设备:为处理材料有意产生和使用电磁辐射射频能量的所有工科医设备 如:磁共振成像系统、透热疗法设备(短波、超短波、微波治疗设备)、热疗设备和 高频手术系统
设备分类
A类:非家用和不直接连接到住宅低压供电网设施中使用的设备
B类:家用设备和直接连接至帷宅低压供电网设施中的设备
限值



执行标准:GB 4824-2004
测试目的:测试频段30MHz~1GHz内受试设备通过空间辐射对外界干扰程度
辐射发射(RE—Radiated Emission )实验测试布置



长沙容测电子有限公司致力于电磁兼容测试设备的研发以及电磁兼容测试技术的推广普及,全力为客户提供专业的EMC测试产品和解决方案。emc测试设备主要有:军工EMC测试设备,新能源汽车EMC测试设备,48V汽车电子可编程电源,汽车电气性能测试设备,BCI大电流注入,群脉冲发生器,雷击浪涌发生器,阻尼振荡波测试仪,静电放电发生器,电压跌落发生器等。
